浪涌放电管
B88069X5411T502
|
|
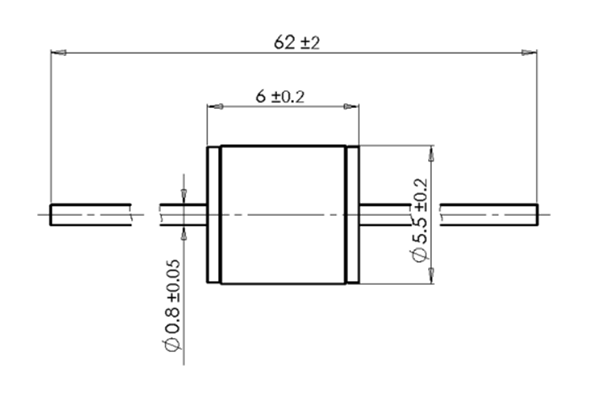
尺寸
| 长度(L) |
|
| 宽度(W) 或 直径(D) |
|
| 高度 |
|
电气特性
| 直流击穿电压 (Nom.) |
|
| 直流击穿电压容差 |
|
| 冲击击穿电压 (Max.) [100V/µs] |
|
| 冲击击穿电压 (Max.) [1kV/µs] |
|
| 冲击击穿电压 (Max.) [5kV/µs] |
|
| 标称耐工频电流 |
|
| 标称冲击放电电流 |
|
| 绝缘电阻 (Min.) |
|
| 使用寿命: 操作1次 50Hz, 0.18s [9 cycles] |
|
| 使用寿命: 操作1次 [8/20µs] |
|
| 使用寿命: 操作1次 [10/350µs] |
|
| 使用寿命: 操作300次 [10/1000µs] |
|
| 失效保护(短路弹簧) |
|
| 直流电源线防护等级 |
|
| 交流电源线防护等级 III |
|
| 交流电源线防护等级 II |
|
| 交流电源线防护等级 I |
|
| 持续电流能力 |
|
| 临时过压能力 |
|
| 极数 |
|
| 辉光电压 |
|
| 辉光到弧光过度电流 |
|
| 弧光电压 [1A] |
|
| 电容 [1MHz] |
|
其他
| 气候类别 [IEC 600068-1] |
|
| UL Certificate UL497B |
|
| UL Certificate UL1449 |
|
| 安装方法 |
|
| 焊接方法 |
|
| 包装形式 |
|
| 包装个数 |
|
| 重量 |
|
产品信息
文件
技术支援工具
查看过此产品的人也查看过以下产品
积层贴片陶瓷片式电容器
C1608X7R1H104K080AA
Capacitance=0.1μF
Edc=50V
T.C.=X7R
LxWxT:1.6x0.8x0.8mm
General
积层贴片陶瓷片式电容器
CGA5L1X7R1H106K160AC
Capacitance=10μF
Edc=50V
T.C.=X7R
LxWxT:3.2x1.6x1.6mm
General
信号线的共模扼流圈/滤波器
ACT1210L-201-2P-TL00
L=200μH
Rated current=70mA
L x W x T :
3.2mm x 2.5mm x 2.5mm
信号线的共模扼流圈/滤波器
ACT45B-510-2P-TL003
|Z|=2800Ω at 10MHz
Rated current=0.2A
L x W x T :
4.5mm x 3.2mm x 2.8mm
信号线的共模扼流圈/滤波器
MCZ1210AH900L2TA0G
|Z|=90Ω at 100MHz
Rated current=0.1A
L x W x T :
1.25mm x 1mm x 0.5mm
钳位滤波器(带包装盒铁氧体磁芯)
ZCAT3035-1330
Fixed cable type
LxW:39mmx30mm
电力线共模扼流圈/滤波器
ACM70V-701-2PL-TL00
|Z|=700Ω at 100MHz
Rated current=4A
L x W x T :
7mm x 6mm x 3.5mm
电源线路EMC滤波器
RSEL-2003W
1-phase(250V), Rated Current:3A
Multipurpose, Wire type
电源线路EMC滤波器
RSEN-2006
1-phase(250V), Rated Current:6A
Multipurpose, Block terminal
电源线路EMC滤波器
RSEN-2006D
1-phase(250V), Rated Current:6A
Multipurpose, Block terminal


