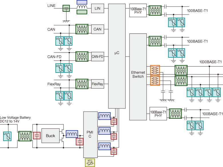
汽车电子/车载网络中央网关/车内服务器 从TDK集团产品群中介绍动力总成"中央网关/车内服务器"相关最佳产品。 SMD/SMT 电感器(线圈) 电源电路用 绕线/铁氧体 CLF 系列 绕线/金属 SPM 系列 绕线/混合 CLT 系列 薄膜/金属 TFM 系列 绕线/铁氧体 HPL 系列 绕线/金属 SPM 系列 去耦电路用 绕线/铁氧体 NLCV 系列 电容器 MLCC CGA**X7 系列 (25~50V) CGA**X7 系列 (~25V) 聚合物混合电容器 B40920,B40921 Series 温度传感器 贴片NTC热敏电阻 NTCG 系列 B572**V5, B573**V5 电压保护器件 贴片压敏电阻/陶瓷瞬时电压抑制器 Surge Protection AVR 系列 B725 系列(CT 系列) ESD Protection AVR 系列 B725 系列(CT 系列) B728 系列 ESD Protection AVR 系列 EMC对策产品 共模滤波器/扼流圈 Ethernet ACT1210L-201-2P-TL00(100BASE-T1) ACT45B-101-2P-TL003(100BASE-TX) ACT1210G-800 Flex Ray ACT1210R 型 CAN ACT1210 型 CAN FD ACT1210D-101-2P-TL00 电源线用 ACM-V/LCV70 系列 3端子滤波器 LIN YFF 系列 片式磁珠 信号线用 MMZ 系列 KMZ 系列 电源线用 MPZ 系列 KPZ 系列