3端子滤波器
YFF18AC1H472MT0Y0N
|
|
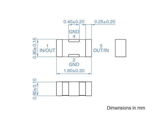
尺寸
| 长度(L) |
|
| 宽度(W) |
|
| 厚度(T) |
|
电气特性
| 插入损耗 [Typ.] |
|
| 截止频率 [Typ.] |
|
| 额定电压 [Max.] |
|
| 额定电流 [Max.] |
|
| 定格電流额定值降低 |
|
| 直流电阻 (Max.) |
|
| 额定电容 [Typ.] |
|
其他
| 电路型 |
|
| 传输线路 |
|
| 使用温度范围 |
|
| 焊接方法 |
|
| AEC-Q200 |
|
| 包装形式 |
|
| 包装个数 |
|
| 重量 |
|
| FIT (Failure In Time) |
|
产品信息
文件
技术支援工具
特色内容
特性图
正在加载图表,请稍候......
查看过此产品的人也查看过以下产品
积层贴片陶瓷片式电容器
C2012X5R1E106M125AB
Capacitance=10μF
Edc=25V
T.C.=X5R
LxWxT:2x1.25x1.25mm
General
积层贴片陶瓷片式电容器
C3225X7R1H335M250AB
Capacitance=3.3μF
Edc=50V
T.C.=X7R
LxWxT:3.2x2.5x2.5mm
General
积层贴片陶瓷片式电容器
C5750C0G2J104K280KC
Capacitance=0.1μF
Edc=630V
T.C.=C0G
LxWxT:5.7x5x2.8mm
Mid Volt. (100 to 630V)
积层贴片陶瓷片式电容器
CGA2B2X5R1H222K050BA
Capacitance=2.2nF
Edc=50V
T.C.=X5R
LxWxT:1x0.5x0.5mm
General
AEC-Q200
积层贴片陶瓷片式电容器
CGJ5C4C0G2H151J060AA
Capacitance=150pF
Edc=500V
T.C.=C0G
LxWxT:3.2x1.6x0.6mm
Mid Volt. (100 to 630V)
High Reliability grade
积层贴片陶瓷片式电容器
CGJ5C4C0G2H391J060AA
Capacitance=390pF
Edc=500V
T.C.=C0G
LxWxT:3.2x1.6x0.6mm
Mid Volt. (100 to 630V)
High Reliability grade
积层贴片陶瓷片式电容器
CGJ5F4C0G2H561J085AA
Capacitance=560pF
Edc=500V
T.C.=C0G
LxWxT:3.2x1.6x0.85mm
Mid Volt. (100 to 630V)
High Reliability grade
SMD/SMT 电感器(线圈)
MLF1608A1R5KTA00
L=1.5μH
Rated current=50mA
L x W x T :
1.6 x 0.8 x 0.8mm
SMD/SMT 电感器(线圈)
VLBS1007083T-R15L
L=0.15uH
Rated current=71A
L x W x T :
10.0 x 7.0 x 8.3mm
SMD/SMT 电感器(线圈)
VLBS1007083T-R18L
L=0.18uH
Rated current=56A
L x W x T :
10.0 x 7.0 x 8.3mm


